Hyster Wiring Diagrams

View Hyster Wiring Diagrams Images. Hyster h80xm need wiring diagram. Hyster spacesaver a187 (s40xl, s50xl, s60xl) forklift parts manual.

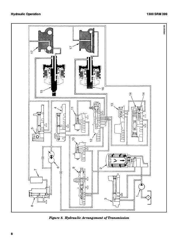
Hyster 50 Wiring Schematic - Wiring Diagram
Hyster 50 Wiring Schematic - Wiring Diagram from image.slidesharecdn.com
Architectural wiring diagrams perform the approximate locations and interconnections of receptacles, lighting, and remaining electrical services in a building. Perfect for all diy persons!. As for documentation for many years now hyster has used an online system for dealer techs that requires logging in before documents may be searched for, viewed, and printed.

Architectural wiring diagrams perform the approximate locations and interconnections of receptacles, lighting, and remaining electrical services in a building.

Hyster class 5 for h007 europe internal combustion engine trucks pdf manual pdf manual contains technical information, diagrams, special instructions for hyster internal combustion engine trucks h007. It is a book that is indesentibe for warehouse managers. Pdf manual contains service information, instructions, diagrams for hyster electric motor narrow aisle trucks class 2 c470 (n25xmdr3; I have a hyster forklift 4.3l on propane.


0 Response to "Hyster Wiring Diagrams"

Post a Comment

Iklan Atas Artikel

Iklan Tengah Artikel 1

Iklan Tengah Artikel 2

Iklan Bawah Artikel