Bmw 318I Engine Diagram

41+ Bmw 318I Engine Diagram Gif. Index introduction symbols power distribution chart fuse chart power distribution fuse details ground distribution diagnostic link engine management ms41.0 (6cylinder. Bmw all engine codes list.

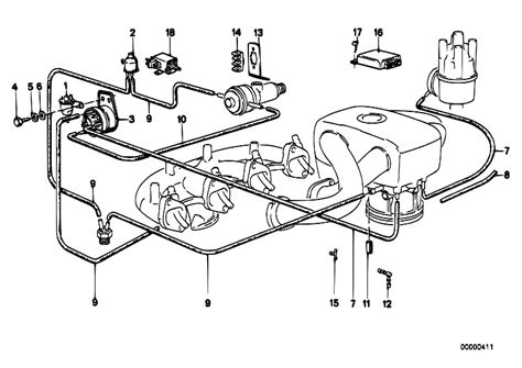
Original Parts for E30 318i M40 2 doors / Engine/ Timing ...
Original Parts for E30 318i M40 2 doors / Engine/ Timing ... from www.estore-central.com
Wiring diagrams are helpful for troubleshooting electrical issues. Bmw all engine codes list. .bmw 318is fuse box i need a diagram of a '95 bmw 318is fuse box.

Mass production of bmw 3 series offers line of engines of different versions and modifications.

Please subscribe, and give the video a thumbs up. Included in this etm are foldout block diagrams. Please subscribe, and give the video a thumbs up. Below are the codes of bmw engines until 2001.


0 Response to "Bmw 318I Engine Diagram"

Post a Comment

Iklan Atas Artikel

Iklan Tengah Artikel 1

Iklan Tengah Artikel 2

Iklan Bawah Artikel